新闻动态

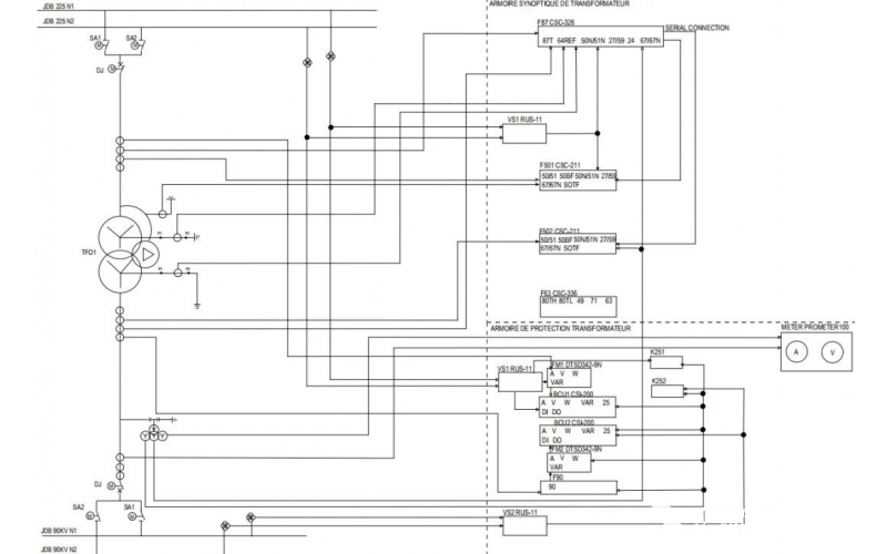
  • 变压器间隔使用225kv母线电压与90kv母线实现检同期的研究知识

    变压器间隔使用225kv母线电压与90kv母线实现检同期的研究知识

    2022-04-28 每一场竞技都是好运的开始电气

  • ABB低压变频器常见故障处理知识汇总

    ABB低压变频器常见故障处理知识汇总

    2022-04-04 每一场竞技都是好运的开始

  • SDI自动分析仪使用说明及维护

    该设备用于测量水中精细悬浮物质(胶体颗粒),并显示FI(污垢指数)。它还监测了过滤器和反渗透设备等水处理设备的性能。样水通过过滤膜(滤纸)一段固定时间(5或15分钟),在固定时间(5或15分钟)前后,过滤膜(滤纸)收集胶体颗粒。通过精确的流量计测量进水前后流速的衰减情况来计算SDI值。

    2022-03-27 每一场竞技都是好运的开始

上一页1...11121314151617下一页 转至第
首页
产品
新闻
联系