新闻动态

  • 现场调节阀拆解详细过程

    以下是调节阀拆解的详细步骤及注意事项,适用于常见的气动/电动调节阀(如直通单座阀、套筒阀等)。具体操作需根据阀门型号和制造商手册进行调整。

    2025-07-31 每一场竞技都是好运的开始

  • 仪表设备外壳接地和保护接地的区别

    安全防护:与保护接地类似,防止外壳带电伤人。 电磁屏蔽:抑制电磁干扰(如电子设备的外壳接地)静电释放:避免静电积累(如通信设备机柜)

    2025-07-29 每一场竞技都是好运的开始

  • 气动开关阀的故障位置调整指南

    故障位置封闭与拆卸 开始调整之前,首先需要封闭气缸故障位置。然后,卸下气缸两侧的螺栓,并取下两侧的侧盖。这一步需要小心操作,以确保设备的安全和完整。

    2025-07-29 每一场竞技都是好运的开始

  • 旋风制冷器的基本结构和使用

    旋风制冷器(也称为涡流管制冷器或涡旋制冷器)是一种基于压缩气体膨胀效应的制冷技术,其核心部件是涡流管(Vortex Tube)。这种装置结构简单、无运动部件,但能实现冷热气流分离,适用于局部冷却、工业设备降温等场景。

    2025-07-23 每一场竞技都是好运的开始

  • 光电开关常见类型及优缺点

    光电开关是一种利用被检测物对光束的遮挡或反射来检测物体位置或状态的传感器。物体不限于金属,所有能反射光线(或者对光线有遮挡作用)的物体均可以被检测。

    2025-07-23 每一场竞技都是好运的开始

  • 工艺流程中阀门互锁实际应用

    阀门互锁装置的一种方式是一个钥匙锁总成,它将阀门锁定在一个或两个位置(打开和/或关闭),一把钥匙卡在锁总成内,另一把钥匙自由。它是控制事件的顺序,来进行不同的阀门过程活动

    2025-07-21 每一场竞技都是好运的开始

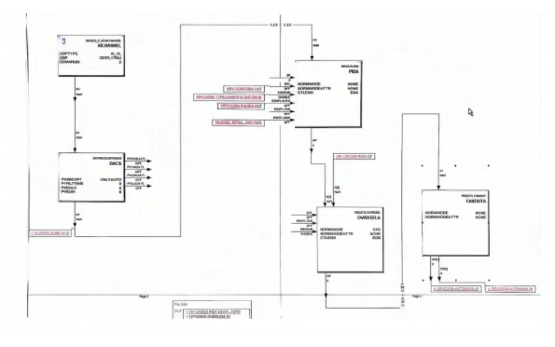
  • 调节阀控制回路组态

    实操任务:公司气化炉CO2缓冲罐出口压力调节阀控制回路组态

    2025-07-21 每一场竞技都是好运的开始

  • 科里奥利质量流量计典型结构和工作原理CMF基本结构 

    流量传感器是一种基于科里奥利力效应的相位敏感型谐振式传感器。该传感器由振动管、信号检测器、震荡驱动器、支撑结构和壳体所组成。

    2025-07-16 每一场竞技都是好运的开始

首页
产品
新闻
联系