便携式直流接地故障点查找仪工作原理
2023-09-28 每一场竞技都是好运的开始
干熄焦锅炉运行经验总结
2023-09-27 每一场竞技都是好运的开始
调节阀阀门在40%关不下去
管式空预器防腐“这办法太牛了
锅炉汽包电接点水位计知识介绍
2023-09-26 每一场竞技都是好运的开始
二次交流回路知识及相关注意事项
旁路作业分流异常分析
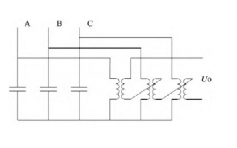
电容器组不平衡保护四种接线方式
2023-09-25 每一场竞技都是好运的开始