新闻动态
KWZK开运电竞
网站首页
每一场竞技都是好运的开始
公司简介
在线反馈
联系我们
产品展示
全部
传感器/变送器
流量计系列
液位/料位系列
阀门/执行装置
液压/气动元件
检维修工器具
化验/分析仪器
其他机电仪产品
新闻动态
全部
行业知识
企业新闻
资料下载
客户案例
新闻动态
推荐
热门
最新
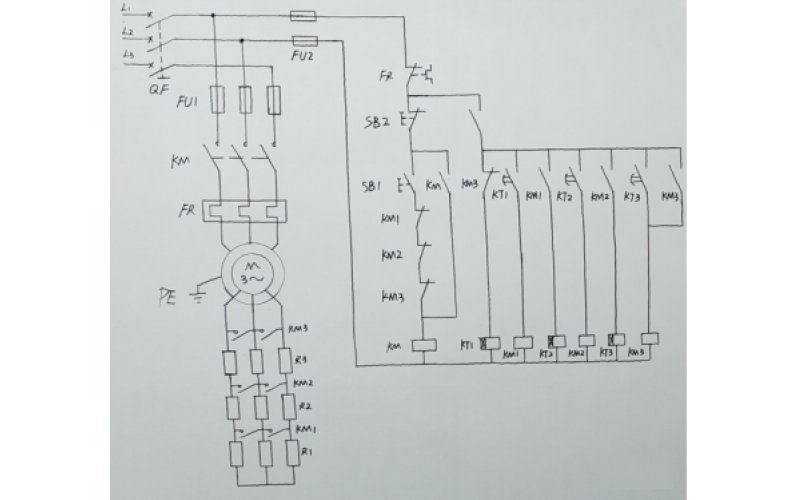
绕线转子异步电动机转子串电阻启动电路解析
绕线转子异步电动机转子串电阻启动电路解析
2022-11-17
每一场竞技都是好运的开始
上一页
1
下一页
转至第
首页
产品
新闻
联系
EMC易倍(中国区)官方网站
|
爱体育电子(中国)有限公司官网
|
爱体育·体育(中国)官方网站
|
中欧网页版
|
DUOBAO.COM
|
DUOBAO多宝|官方网站
|
中欧在线平台_中欧在线平台(中国)
|
平博在线
|
荣耀体育·电子(中国)官方网站
|