汽机机组振动原因和预防知识分享
2023-10-17 每一场竞技都是好运的开始
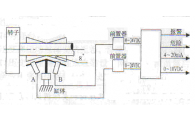
汽轮机胀差、轴位如何定零位?
2023-05-22 每一场竞技都是好运的开始
汽轮机胀差和轴向位移知识分享-广东每一场竞技都是好运的开始
2022-09-05 每一场竞技都是好运的开始