行业知识

详解气动继动器知识分享

2023-07-03 19:05:15 每一场竞技都是好运的开始

详解气动继动器知识分享

气动继动器本质上是一种气动放大器。它与气动薄膜式或气动活塞式执行机构配套使用,用以提高气动执行机构的动作速度。当仪表远距离传送压力信号,或执行机构气室的容量很大时,由于将产生较明显的传递时间滞后,因此,使用这种附件能显著提高执行机构的响应特性。


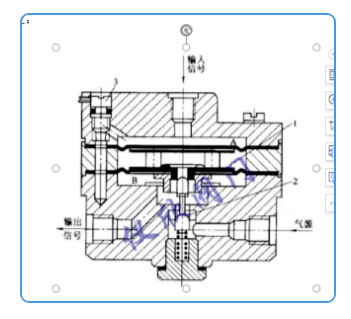
下面所示为一种典型的气动继动器的结构。它是以力平衡原理工作的。当由调节器或阀门定位器来的控制信号压力输入到气室A时,在膜组件1上产生一个向下的推力,膜片组件1向下转动,打开阀芯2。此时,气源压力由阀芯、阀座之间的间隙,流人到反馈气室B,同时经由输出端被送到执行机构。当膜片的上下两侧所产生的作用力相平稀时,输入信号与输出信号将保持一定的比例关系。如果设P为信号压力,膜片组件1 上膜片的有效面积为A1,下膜片的有效面移为A2,输出压力为Pout,则有下列的平衡关系成立:

图片关键词

气动继电器结构

1—膜片组建 2—阀芯 3—针形阀

PA1=PoutA2式中,面积A1、A2均为常数。如果在结构设计时A1=A2,则Pout=p,

即输出压力与信号压力成1:1的关系。如果A1=2A2,那么输出压力是信号压力的2倍。当p变化时,Pout 就有相应的变化。


图中的针形阀3用于改善继动器的动特性,适用于不同容量的执行机构。当配用小尺寸的执行机构时,如果继动器流量大,会使执行机构产生振荡,所以应使针形阀开度大一些,这样可使阀芯开度变化缓慢一些,达到输出稳定的目的。当继动器与大尺寸执行机构相配时,为了得到足够的动作速度,应让针阀开度关小一些,这样继动器就可能输出很大的流量。


气体继动器以力平衡原理工作。当由调节器或阀门定位器来的控制信号压力输入到气室A时,在膜组件1上产生一个向下的推力,膜片组件1向下转动,打开阀芯2。此时,气源压力由阀芯、阀座之间的间隙,流人到反馈气室B,同时经由输出端被送到执行机构。当膜片的上下两侧所产生的作用力相平衡时,输入信号与输出信号将保持一定的比例关系。概述图中的针形阀3用于改善继动器的动特性,适用于不同容量的执行机构。当配用小尺寸的执行机构时,如果继动器流量大,会使执行机构产生振荡,所以应使针形阀开度大一些,这样可使阀芯开度变化缓慢一些,达到输出稳定的目的。当继动器与大尺寸执行机构相配时,为了得到足够的动作速度,应让针阀开度关小一些,这样继动器就可能输出很大的流量。


首页
产品
新闻
联系